Кожухотрубные конденсаторы
Конденсаторы с высокой эффективностью теплообмена для холодильных и промышленных системКожухотрубные конденсаторы оснащены надежными теплообменными трубками и оптимизированной конструкцией, благодаря чему отличаются эффективностью теплопередачи и высокой устойчивостью к давлению. За счет компактной конструкции, стабильной работы и устойчивости к коррозии отлично подходят для средне- и крупномасштабных систем охлаждения. Широко используются в системах центрального кондиционирования воздуха, холодильных камерах хранения и промышленных системах охлаждения.
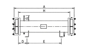
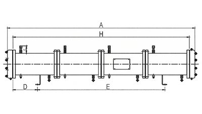
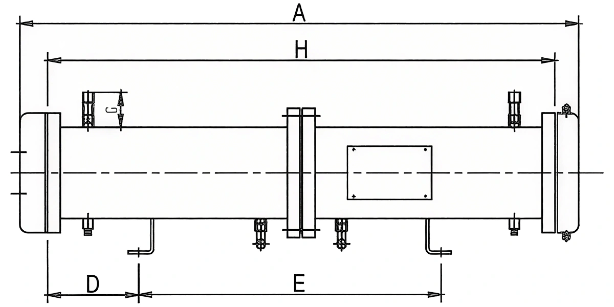
| Модель | Мощность компрессора | Размер соединения трубопровода | Габариты (мм) | |||||||
| A | B | C | D | E | F | G | H | |||
|
|
5HP | DN25 | 680 | 295 | 180 | 100 | 360 | 140 | 70 | 560 |
|
|
6HP | DN25 | 680 | 295 | 180 | 100 | 360 | 140 | 70 | 560 |
|
|
7HP | DN25 | 840 | 295 | 180 | 120 | 480 | 140 | 70 | 720 |
|
|
8HP | DN40 | 840 | 295 | 180 | 120 | 480 | 140 | 70 | 720 |
|
|
10HP | DN40 | 900 | 310 | 200 | 140 | 500 | 160 | 70 | 780 |
|
|
12HP | DN40 | 900 | 310 | 200 | 140 | 500 | 160 | 70 | 780 |
|
|
15HP | DN40 | 1480 | 320 | 250 | 180 | 1000 | 200 | 70 | 1865 |
|
|
20HP | DN50 | 1480 | 320 | 250 | 180 | 1000 | 200 | 70 | 1365 |
|
|
25HP | DN50 | 1480 | 320 | 250 | 180 | 1000 | 200 | 70 | 1865 |
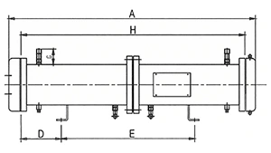
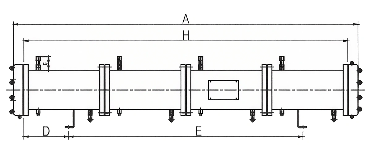
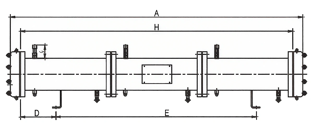
| Модель | Мощность компрессора | Размер соединения трубопровода | Габариты (мм) | |||||||
| A | B | C | D | E | F | G | H | |||
|
|
4HP*2 | DN40 | 1107 | 320 | 250 | 180 | 600 | 200 | 70 | 1005 |
|
|
5HP*2 | DN40 | 1107 | 320 | 250 | 180 | 600 | 200 | 70 | 1005 |
|
|
6HP*2 | DN40 | 1107 | 320 | 250 | 180 | 600 | 200 | 70 | 1005 |
|
|
7.5HP*2 | DN40 | 1480 | 320 | 250 | 180 | 1000 | 200 | 70 | 1365 |
|
|
10HP*2 | DN50 | 1480 | 320 | 250 | 180 | 1000 | 200 | 70 | 1365 |
|
|
12HP*2 | DN50 | 1480 | 320 | 250 | 180 | 1000 | 200 | 70 | 1365 |
|
|
15HP*2 | DN50 | 1480 | 320 | 250 | 180 | 1000 | 200 | 70 | 1365 |
|
|
20HP*2 | DN50 | 1480 | 320 | 250 | 180 | 1000 | 200 | 70 | 1365 |
|
|
25HP*2 | DN65 | 1480 | 320 | 250 | 180 | 1000 | 200 | 70 | 1365 |
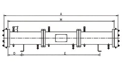
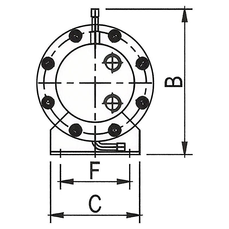
| Модель | Мощность компрессора | Размер соединения трубопровода | Габариты (мм) | |||||||
| A | B | C | D | E | F | G | H | |||
|
|
5HP*3 | DN50 | 1648 | 350 | 350 | 200 | 1130 | 300 | 70 | 1534 |
|
|
10HP*3 | DN50 | 2014 | 350 | 350 | 303 | 1300 | 300 | 70 | 1900 |
|
|
12HP*3 | DN65 | 2014 | 350 | 350 | 303 | 1300 | 300 | 70 | 1890 |
|
|
20HP*3 | DN80 | 2014 | 410 | 350 | 303 | 1300 | 300 | 70 | 1900 |
|
|
25HP*3 | DN80 | 2014 | 410 | 350 | 303 | 1300 | 300 | 70 | 1890 |
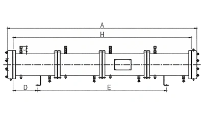
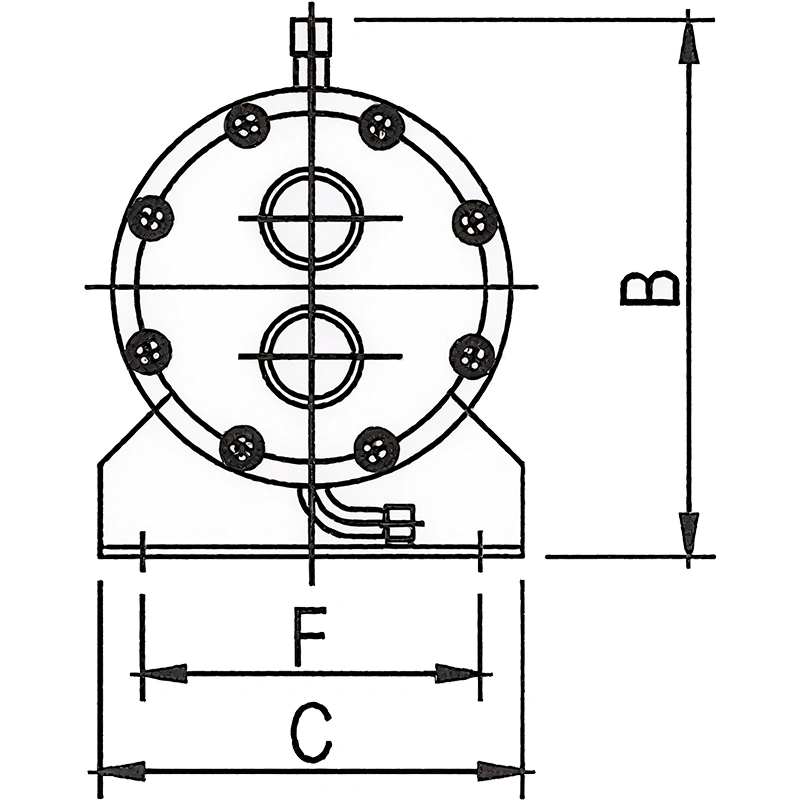
| Модель | Мощность компрессора | Размер соединения трубопровода | Габариты (мм) | |||||||
| A | B | C | D | E | F | G | H | |||
|
|
10HP*4 | DN65 | 1913 | 388 | 350 | 250 | 1300 | 300 | 70 | 1800 |
|
|
12HP*4 | DN65 | 1913 | 388 | 350 | 250 | 1300 | 300 | 70 | 1800 |
|
|
15HP*4 | DN65 | 1913 | 388 | 350 | 250 | 1300 | 300 | 70 | 1800 |
|
|
20HP*4 | DN80 | 1913 | 388 | 350 | 250 | 1300 | 300 | 70 | 1800 |
|
|
25HP*4 | DN80 | 2650 | 410 | 350 | 303 | 1800 | 300 | 70 | 2540 |
| Модель | Мощность компрессора | Размер соединения трубопровода | Габариты (мм) | |||||||
| A | B | C | D | E | F | G | H | |||
|
|
12HP*5 | DN65 | 2364 | 388 | 350 | 260 | 1750 | 300 | 70 | 2250 |
|
|
25HP*5 | DN100 | 3220 | 575 | 600 | 325 | 2220 | 500 | 90 | 2870 |
- Энергоэффективность
- Инновации
- Защита безопасности
- Производственная точность
-
на 25% выше эффективность теплообменаМедные трубы с внутренней резьбой -
на 20% выше теплопередачаВолнистые ребра теплообменника -
на 6% ниже общее энергопотреблениеЭлектронный расширительный клапан с PID-регулятором -
на 20% лучше распределение хладагентаОптимизированная система распределения хладагента -
на 10% лучше циркуляция воздухаОптимизированный воздушный поток -
на 20% ниже энергопотребление вентилятораАвтоматическое управление воздушным потоком
-
Испаритель из нержавеющей стали -
V-образный конденсатор -
Цилиндрический водяной бак -
Вентилятор с низким уровнем шума -
Контроллер с сенсорным экраном -
Современная система управления
-
Защита от перегрева -
Защита от короткого замыкания -
Самодиагностика -
Интеллектуальная защита от замерзания -
Сигнализатор низкого потока воды -
Сигнализатор низкого уровня воды -
Сигнализатор высокого/низкого давления -
Таймер включения/выключения
-
Прецизионная штамповка металлических листов -
Штампованные направляющие кольца для потока -
Роботизированная система гибки (Bystronic, Швейцария) -
Лазерная сварка -
Автоматизированная резка изоляционных материалов -
Автоматизированная сварка соединений
KANSA имеет более 20 лет опыта в производстве промышленного оборудования для охлаждения. Мы разрабатываем и производим промышленные чиллеры и оборудование для контроля температуры технологических процессов. Благодаря собственной производственной базе мы обеспечиваем стабильное качество, надежную работу и отличную стабильность температуры с отклонением не более ±0.05°C. Компания имеет сертификаты CE, ISO9001-2016, ISO45001 и другие международные сертификаты, поставляя обрудование более 70 000 клиентам по всему миру.













